Type HSD110
The pump is equipped with in-built chevron gear deceleration devic. It has the properties of high transmission efficiency, low noises, stable operation, small size and compact construction. During the running, high-speed shaft can automatically adjust in horizontal direction, which makes it has balanced and reliable transmission, low friction coefficient, high lubrication, low temperature rising at power end, long-time continuous operation, etc. Fluid end of pump is designed in single-lined pump group and construction of pump end. Compact construction can make it easy to operate and maintain. The max.crankshaft thrust force is 57KN.
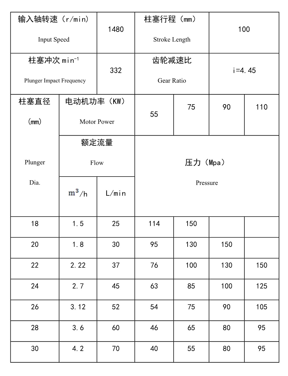
Technical Data


泵重Pump Weight :630kg 進(jìn)口尺寸Inlet:G2” 出口尺寸Outlet:ZG1”

